Hola a todos. Lo prometido es deuda, en este artículo se diseñará y montará un circuito amplificador (previo + salida para cascos).
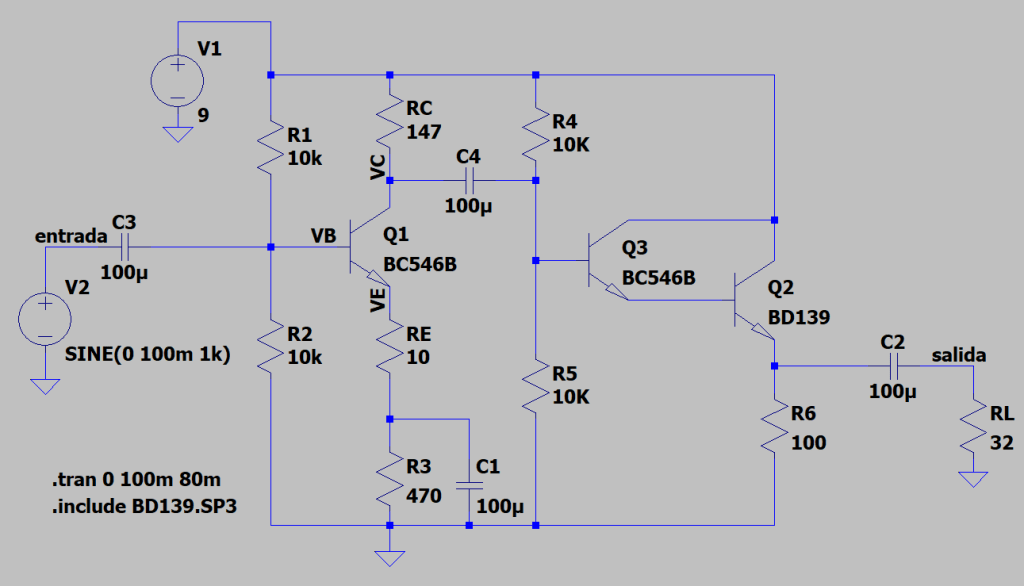
El circuito que vamos a montar es el siguiente:

Como podéis apreciar consta de las partes que se han comentado en los últimos artículos.
Consta de la primera etapa que es un amplificador en emisor común, conectado mediante un condensador de acoplo a una etapa seguidor de emisor (colector común) que sirve para adaptar la elevada impedancia de salida del emisor común a la baja impedancia de unos cascos (he supuesto 32 ohmios). Esta etapa utiliza dos transistores en Darlington, ya que de no ser así cargaría mucho el divisor de tensión y este no sería estable.
Se podría haber puesto un divisor de tensión mas pequeño, pero esto aumentaría el consumo y me interesa lo contrario, ya que pretendo que se pueda utilizar con una pila de 9 voltios.
Como podéis ver hay tres condensadores de acoplo: C3, C4 y C2; mientras que de desacoplo solo hay uno: C1
La resistencia RC le podéis dar el valor de 150. Yo no tenía ese valor y he utilizado dos en serie (100 y 47).
El nivel máximo de entrada es de 100 mili-voltios, de entrar con mas tensión habría distorsión. Si se quiere entrar con mas nivel, se podría utilizar un potenciómetro o por otra parte modificar la ganancia de la etapa de emisor común aumentando el valor de RE.
Calcularemos la corriente de emisor IE:
La r’e teórica de la primera etapa es de:
Si calculamos la ganancia de la primera etapa:
La salida que tenemos en la entrada de Q3 sería (osciloscopio):

Antes que nada, comentar que el ruido que aparece en la imagen es debido al generador de funciones, que genera ruido con niveles de tensión de salida bajos. Para reyes igual cae uno mejor. 🙂
Si nos fijamos con la gráfica obtenida mediante el osciloscopio, podemos ver que este dato se corresponde casi al 100% con la simulación. Ver la siguiente imagen:

A la salida del amplificador (con unos cascos de carga), tendremos la siguiente salida (osciloscopio):

Esta salida como es lógico, debe de ser de ganancia igual o menor a uno, ya que utilizamos un seguidor de emisor para atacar los cascos.
Esta impedancia en teoría es de 32 ohmios, aunque si la medimos (los cascos en concreto) con un polímetro o con un pequeño gadget que tengo para medir diversos componentes (entre ellos inductancias) me da una impedancia (¿resistencia?) de 26.8 ohmios.
Si en la simulación sustituyo el valor de la carga de 32 ohmios por uno de 26.8, obtengo un valor de 1.52 voltios de pico a pico. Valor que se asemeja mas al medido con el osciloscopio.
Os muestro el circuito real en la siguiente imagen:

Tengo pensada una aplicación para este prototipo, pero eso ya os lo comentaré en un posterior artículo. 🙂
Conclusiones: Vemos que la simulación es una valiosa herramienta de trabajo y que los resultados prácticos son tan acertados como para poder utilizar la simulación como la primera cosa a hacer antes de ponerse a toquetear cosas en la mesa de trabajo (ahorro de tiempo y mas seguridad).
Un saludo y hasta el siguiente articulo.
