Bienvenidos. En este artículo voy a explicar en que consiste un transistor Darlington y veremos algunos ejemplos de su funcionamiento.
Fijémonos en el siguiente esquema:

Un circuito con polarización en colector común.
Como podréis apreciar, la tensión de alterna del generador es cero voltios. Esto es así porque de momento solo nos vamos a fijar en la polarización.
¿Que corriente debería circular por RE? Veamos cual es la caída de tensión en el divisor de tensión:
Mientras que la caída de tensión en la resistencia de emisor RE será:
La corriente en teoría por RE será:
Simulemos el circuito para ver si realmente circula esta corriente por RE:

Vemos que la corriente es bastante menor que la teórica (cerca de 98 mili-amperios). La razón es que la corriente de base del transistor es la de emisor dividida entre la hFE, y esta es lo suficientemente grande como para que la tensión en el divisor de tensión caiga de los teóricos 10 voltios hasta los 6.68 voltios que arroja el simulador.
¿Como se puede evitar esto? Pues utilizando un divisor de tensión mas estable (por ejemplo 1k y 2k), lo cual haría que la impedancia de entrada fuera bastante menor (algo no deseable) o bien usando un transistor con mas ganancia (beta en continua o hFE).
Como el fin de este artículo es explicar el funcionamiento de los transistores darlington y que también queremos la máxima impedancia de entrada posible, elegiremos esta última opción.
Vamos a añadir un segundo transistor en una configuración que se llama Darlington. La característica fundamental de esta configuración es que la beta total es el producto de las dos de cada transistor. Véase la siguiente imagen en la que aparecen dos transistores en darlington:

La ganancia total de corriente, se calcula como:
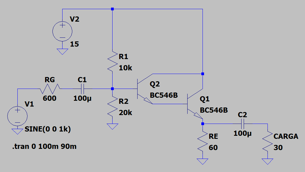
Veamos el siguiente circuito, que es igual al primero pero con dos transistores en configuración Darlington:

La corriente en teoría por RE será en este circuito:
Simulemos el circuito para ver si realmente circula esta corriente por RE:

Vemos que la corriente que circula está muy cerca de la calculada. La razón es que al tener mayor beta, la corriente de base es ínfima y el divisor de tensión no se carga con el transistor (es estable).
Fijémonos en el datasheet:

La corriente de base del primer transistor sería:
Con una corriente de este orden (tan reducida), el divisor de tensión es perfectamente estable. De hecho, si tocamos con la sonda de LTspice en el divisor de tensión, nos indica una tensión de 9.98 voltios.
Y ya está todo dicho de momento en cuanto a este tipo de transistores se refiere.
Esta configuración de transistores puede venir integrada en un único transistor (ejemplo: TIP-100), además de sus complementarios (PNP), de uso por ejemplo en amplificadores PUSH-PULL.
En el próximo articulo veremos algo de «cacharreo» (algo no teórico).
Un saludo.
